Krick Motor MAX Power 900 BB
Charakteristika:
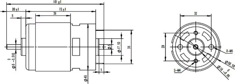
Krick Motor MAX Power 900 BB je stejnosměrný univerzální elektromotor řady 900 s vysokým točivým momentem, nízkou rychlostí, kuličkovými ložisky a vnitřním ventilátorem. Celkový rozměr o50 x 101 mm, rozměr pouzdra o48 x 72 mm, hřídel o 5 mm, jmenovité napájecí napětí 12 V, proud do 24 A, hmotnost 495 g. Statorový kroužek pro větší krouticí moment. Otáčky na prázdno: 3000 ot./min při 12V (0,5A).
Ideální pro RC modely lodí velkých remorkérů nebo rybářský lodí do průměru lodního šroubu 95 mm. Lze použít i pro jiné aplikace.

Přihlas se do odběru novinek